Одноосевой поворотный стол большого диаметра ЧПУ CNC-1000HV GSA+
Одноосевой поворотный стол большого диаметра ЧПУ CNC-1000HV GSA+
Преимущества товара:
- Высокая точность позиционирования
- Простота управления с помощью ЧПУ
- Большой диаметр для обработки крупных деталей
- Надежность и долговечность конструкции
Особенности товара:
- Одноосевой поворотный стол
- ЧПУ CNC-1000HV для автоматизации процесса
- Большой диаметр для различных видов обработки
- Система GSA+ для улучшения производительности
Назначение товара:
Одноосевой поворотный стол большого диаметра ЧПУ CNC-1000HV GSA+ предназначен для точной и эффективной обработки крупных деталей на промышленных предприятиях. С его помощью можно выполнять различные виды обработки материалов с высокой точностью и скоростью.
Сферы применения:
- Машиностроение
- Авиационная промышленность
- Автомобильное производство
- Энергетика
Поворотные столы большого диаметра могут устанавливаться как вертикально, так и горизонтально. Высокая точность и жесткость позволяют использовать столы и при силовом резании, и в метрологических целях.
Комбинация высокоточного червячного колеса из бронзо-никелевого сплава и стального закаленного червяка обеспечивают длительное сохранение точности позиционирования.
Многоточечная гидравлическая тормозная система обеспечивает превосходное усилие зажима, исключающее вибрацию при силовом резании. Параметры стола могут быть изменены по отдельному заказу.
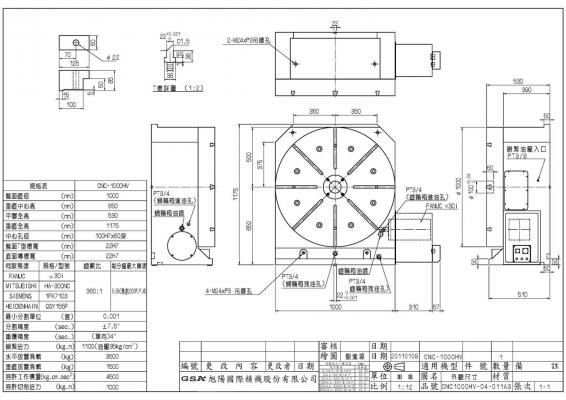
Технические характеристики CNC-1000HV | ||
|---|---|---|
| Параметр | Ед. изм. | Значение |
| Диаметр | мм | 1000 |
| Высота центров при вертикальной установке | мм | 650 |
| Высота центров при горизонтальной установке | мм | 530 |
| Общая высота при вертикальной установке | мм | 1175 |
| Вес CNC-1000HV нетто (без двигателя) | кг | 2500 |
| Центральное отверстие | мм | 100x60 |
| Ширина Т-пазов | мм | 22Н7 |
| Ширина направляющего сухаря | мм | 22Н7 |
| Сервомотор MELDAS | тип | HF-453S |
| Сервомотор FANUC | тип | a30i |
| Сервомотор SIEMENS | тип | 1FK7103 |
| Сервомотор HEIDENHAIN | тип | QSY155F |
| Передаточное число | 1:360 | |
| Минимальный угол | град | 0,001 |
| Максимальные обороты | об/мин | 5.56 |
| Усилие гидрозажима | кг*м | 10000 |
| Точность позиционирования (с энкодером) | ±5” | |
| Повторяемость (с энкодером) | с | 4” |
| Макс. усилие обработки | кг*м | 500 |
| Максимальные нагрузки | |||
|---|---|---|---|
| Параметр | Схема | Ед. изм. | Значение |
| Максимальная вертикальная нагрузка | кг | W = 1500 | |
| Максимальная горизонтальная нагрузка | кг | W = 3500 | |
| Максимальное радиальное усилие | кг | F = 5000 | |
| Максимальное радиальное усилие | кг*м | FxL = 1100 | |
| Максимальное радиальное усилие | кг*м | FxL = 2000 | |
- Доставка с фикс. стоимостью (бесплатно от 50 тыс.р.) 100 ₽ подробнее
- Самовывоз бесплатно подробнее
- Доставка с фикс. стоимостью 100р + 50р за каждый кг веса 105 ₽
-
СДЭК
--- ₽
выбрать на карте
-
Почта РФ
--- ₽
выбрать на карте



Отзывы к "Одноосевой поворотный стол большого диаметра ЧПУ CNC-1000HV GSA+":
Пока нет отзывов